Skip to main content

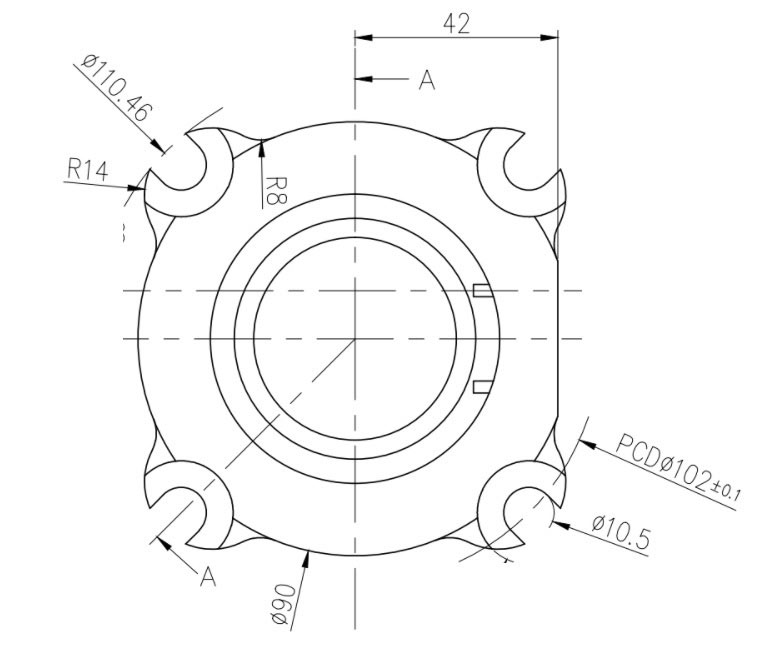
Hydraulic release bearing Tilton model

Hydraulic release bearing Tilton model   AN3 fittings.


Part no: t00009281