Skip to main content

Stwórz własny przewód hamulcowy AN3 w oplocie stalowym (Ocynkowany)

5 steps to a finished hose!


Part no: SPD01BDB
  • Description

    Stwórz własny przewód hamulcowy z ocynkowanymi złączkami

    Tutaj możesz łatwo stworzyć własny przewód hamulcowy / przewód sprzęgła / przewód hydrauliczny w oplocie stalowym z ocynkowanymi złączkami. Wszystkie przewody są zaciskane na specjalnych maszynach zaciskowych w Speeding, nie można ich wykonać samodzielnie w domu. Jeśli chcesz złączki ze stali nierdzewnej, kliknij tutaj.

    Wykonaj następujące kroki:

    1. Dokładnie zmierz, jaki powinien być Twój przewód.
    2. Wprowadź informacje w tym przewodniku. (5 kroków)
    3. Otrzymaj profesjonalnie wykonany maszynowo przewód zgodnie z własnymi wymiarami.

     

     ----------------------

     

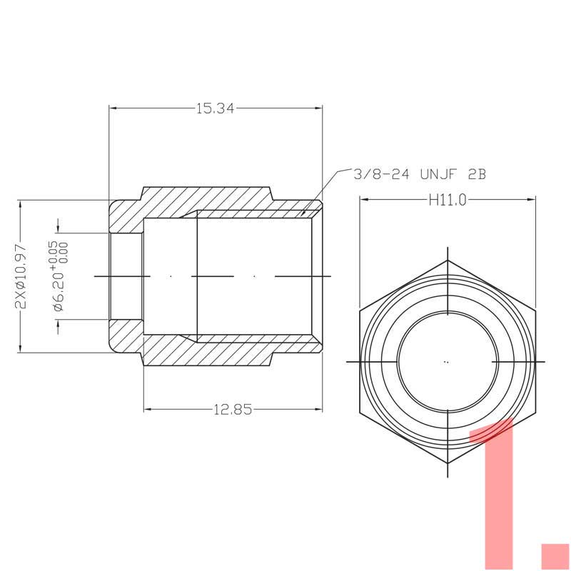
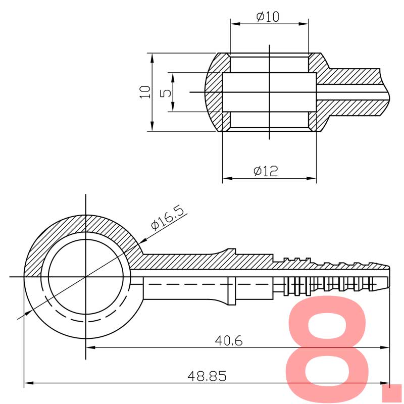
    Krok 1 - (Złączka 1 / Złączka 2)

    Wybierz, jakie złączki chcesz na obu końcach przewodu. Rysunki każdej złączki są dostępne na zdjęciach.
    Swivel oznacza, że złączka może obracać się wokół osi bez skręcania przewodu.

    Kliknij tutaj, aby zobaczyć wideo i więcej informacji o złączkach.

     

     ----------------------

     

    Krok 2 - (Długość przewodu)

    Wprowadź żądaną długość, a następnie wprowadź "typ pomiaru", do którego odnosi się długość.

     

    ----------------------

     

    Krok 3 - (Typ pomiaru)

     

    ----------------------

     

    Krok 4 - (Typ przewodu)

    Dostępne są trzy różne przewody hamulcowe.

    1. Przewód hamulcowy w oplocie ze stali nierdzewnej z rdzeniem PTFE.
    2. Przewód hamulcowy w oplocie ze stali nierdzewnej z rdzeniem PTFE. + osłona z oplotu nylonowego.
    3. Przewód hamulcowy w oplocie ze stali nierdzewnej z rdzeniem PTFE. + czarna osłona plastikowa.

    Wszystkie przewody mogą być używane z płynem hamulcowym bez ograniczeń czasowych, więc nic nie będzie wymagało wymiany w przyszłości. Przewody działają również z olejem, płynem chłodniczym, paliwem i powietrzem. Te przewody są liderami na rynku i przechodzą wszystkie znane testy dla przewodów plastikowych w oplocie stalowym, znane obecnie.

     

    ----------------------

     

    Krok 5 - (Skręcone złączki)

    Określ, czy chcesz, aby złączki były skręcone.
    W poniższym przykładzie złączki są skręcone / obrócone o 90 stopni.

     

    ----------------------

     

    Specyfikacje:

    Średnica wewnętrzna: 3,6 mm.
    Ciśnienie robocze: 275 bar
    Ciśnienie rozrywające: 827 bar
    Temperatura pracy: -70 do 250 stopni (-158 do 482°F)

    Ten produkt jest wykonywany na zamówienie. Brak prawa do zwrotu.

  • Ask about product
  • Reviews
    Henrik 2021-02-25

    Kvalitet, passa som den skulle enl. spec.

    Mikael 2021-03-10

    Grym kvalitet, pra pris och snabb leverans.

    Tobias 2021-03-28

    Bra grejer, smidigt att bygga slangen online :)

    Sven 2021-04-28

    Riktigt snyggt byggd slang, min hade dessutom krymsplang över pressningarna. Snabb service!

    Philip 2021-05-05

    Ringde in min order och allt blev kanonbra!
    Leverans dagen efter.

    Hugo 2021-08-23

    Blev perfekt och till ett bra pris.

  • About the manufacturer

     

    SPD Hydraulics

    spd-systems.com

    SPD Hydraulics

    SPD hydraulics are quality products for brake systems, but also oil, air, fuel, etc. often machine pressed parts. Maybe the only manufacturer of stainless steel brake products. Developed to meet the highest demands of motorsports. All products are carefully tested both in virtual and controlled environments, as well as on the street and race track where they will ultimately be used. SPD products are developed and tested by experienced technicians as well as racing drivers to maximize functionality and reliability. With these extensive tests, the same high function is also ensured over long periods of time.

    When such extensive tests are made to ensure quality over time, functional warranty on SPD press fitings is given. Even for those who use them for competitive use and the most demanding motorsports. SPD Hydraulics is probably alone offering warranty on competition products.