Oil inlet turbo flange CC 38mm Holset, Garret, KKK etc.
Oil pressure inlet flange in stainless steel.
-
Description
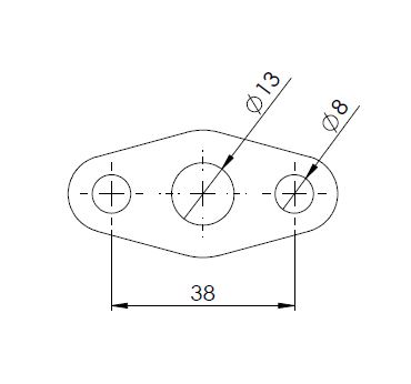
Oil pressure inlet flange in stainless steel. Fits Holset, Garret, KKK and others.
Bolt hole CC: 38mm.
Hole diameter: 10mm.
-
Ask about product
-
Reviews
Be first to write a review about this product!
Your review:
To send a review, you must be logged in.